咨詢熱線400-068-0032
吸附式干燥機 保養項目 1、每半月檢查水份指示器:藍色表示干燥,紅色表示潮濕,達到紅色區域需更換濾芯。 2、每半月檢查前置和后置過濾器壓力差:...

常用 冷干機 按冷凝器的冷卻方式分有風冷型、水冷型兩種;按進氣溫度高低分有高溫進氣型(80℃以下)和常溫進氣型(40℃左右);按工作壓力分有普通...

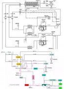
LANuPS 我們一直在努力?。?! 技術創造價值 翻查各國標準,歷時數日,全美標,-75度微熱 吸干機 標準PID工藝圖,國產首創...

冷干機 要怎么保養?總結了一些內容 冷干機的維修與保養技巧 步驟一 每班觀察記錄儀表值4次 1、壓縮空氣進出口壓差不超過0.035Mpa; 2、蒸發壓力表0.4M...

很多空壓機用戶有這樣一個錯誤的觀念,認為只要空壓機還能用,就沒必要去進行大修。但事實上大修不僅是急救,它也是每臺空壓機所必需的保健理療。...

Copyright © 2020-2030 翌露機械(上海)有限公司 版權所有法律聲明地址:上海市奉賢區滬杭公路1588號2幢-2817 備案號:滬ICP備19003705號-5 XML地圖 柳州富達空壓機官網